Ningbo Richge Technology Co., Ltd.
Ningbo Richge Technology Co., Ltd.
Продукти
Продукти
VBI-24 Фиксиран тип изолационен цилиндър MV вакуумна верига прекъсвач
  • VBI-24 Фиксиран тип изолационен цилиндър MV вакуумна верига прекъсвачVBI-24 Фиксиран тип изолационен цилиндър MV вакуумна верига прекъсвач
  • VBI-24 Фиксиран тип изолационен цилиндър MV вакуумна верига прекъсвачVBI-24 Фиксиран тип изолационен цилиндър MV вакуумна верига прекъсвач

VBI-24 Фиксиран тип изолационен цилиндър MV вакуумна верига прекъсвач

Model:VBI-24
Серията VBI серия вътрешна вакуумна верига е ново поколение интелигентни прекъсвачи на вакуумни вериги. Неговите компоненти на живо, включително високоефективният вакуум прекъсвач и горните и долните изходящи терминали, са капсулирани в след терминалите на епоксидна смола. Този дизайн помага да се предотврати замърсяването на повърхността на вакуумния прекъсвач, засилвайки изолационните му свойства, механичната стабилност и удължаването на експлоатационния си живот. Механизмът на работа на вакуумна чаша с монтиран тип VBI-24 се използва пружина за енергия за съхранение, която може да се управлява по два начина, ръчно или електрическо. Характеристиките са в съответствие с GB1984-89, JB3855-96<10kv Indoor High Voltage Vacuum Circuit Breaker General Technical Specifications>, Съответните разпоредби на стандарта IEC56. VBI-24 ВЪЗДУШЕН ВЪЗСТАНОВЯВАНЕ НА ВЪЗДУШЕН ВЪЗСТАНОВЯВАНЕ Е ТРИФАЗИЧНО AC 50Hz , РЕЙМЕНТ НА ​​ДЕЙСТВИЕ НА ДЕЙНАТА ДЕЙСТВИЕ НА ДЕЙСТВИЕТА , За промишлени и минни предприятия, електроцентрали и подстанции като целите на електрическото оборудване и защитата и за често работите на мястото.

VBI-24 Фиксиран тип изолационен цилиндър MV вакуумна верига прекъсвач

   Серия VBI-24 от вакуумна верига на вътрешно напрежение с вградени стълбове е три фрази A.C.50 Hz вътрешно разпределение на захранването с номиналното напрежение от 24 kV.it, използвано за защита и контрол на електрическото оборудване в областта на индустрията и минните предприятия, електроцентралите и подстанцията.

   Основната проводима верига на този тип вакуумна верига с пружинен механизъм е вграден полюс, който може значително да подобри надеждността на изолацията, механичната и разрушаването и наистина да реализира свободната поддръжка и по-дългия механичен и електрически живот. Този прекъсвач на вакуумните вериги съответства на националните стандарти и уговорките на стандарта на IEC. Възможността достига степен на M-E2-C2.

   Продуктът се използва за много видове разпределителни уреди като Kyn28-24 (GZS1) и може да бъде фиксиран инсталация.

  VBI-24 ВЪЗДУШЕН ВЪЗСТАНОВЯВАНЕ НА ВЪЗДУШЕН ВЪЗСТАНОВЯВАНЕ Е ТРИФАЗИЧНО AC 50Hz , РЕЙМЕНТ НА ​​ДЕЙСТВИЕ НА ДЕЙНАТА ДЕЙСТВИЕ НА ДЕЙСТВИЕТА , За промишлени и минни предприятия, електроцентрали и подстанции като целите на електрическото оборудване и защитата и за често работите на мястото.







Основна информация.


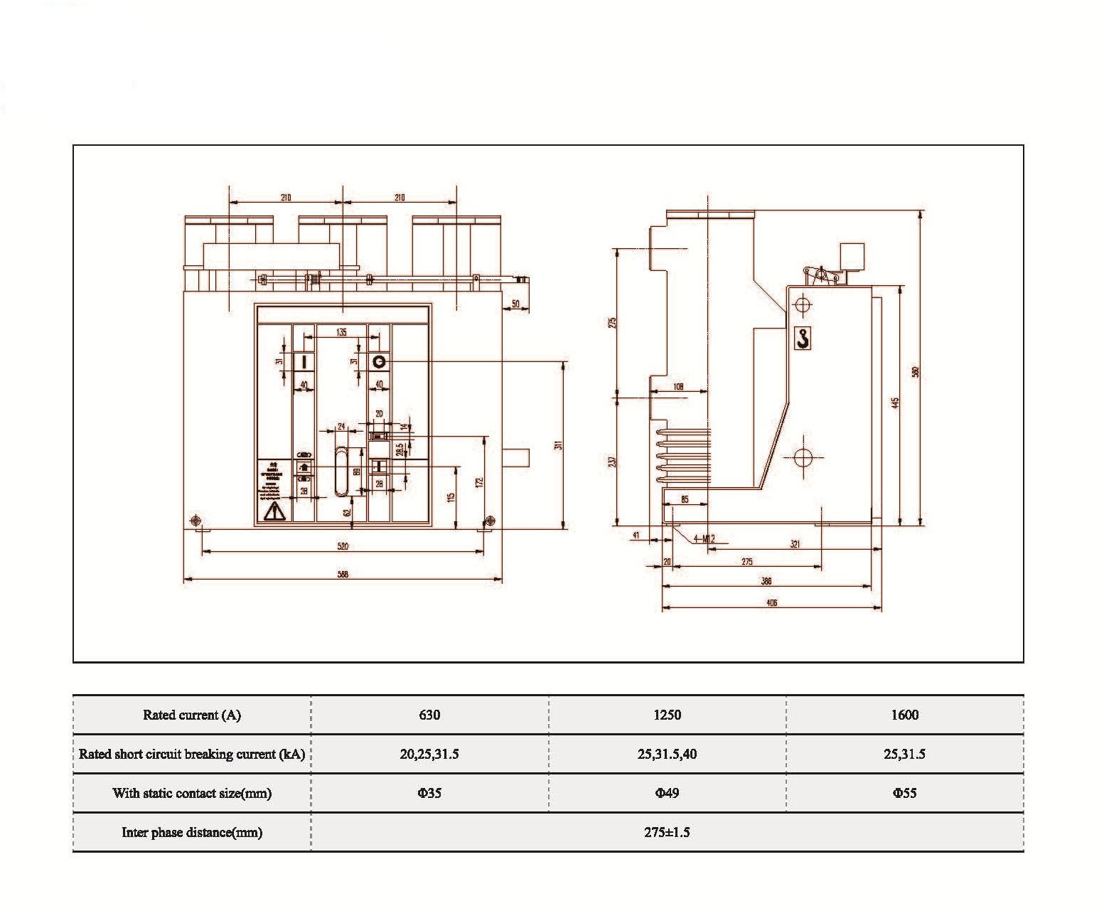
Технически параметри




Технически чертежи

Често задавани въпроси

В: Мога ли да получа цени на вашите продукти?

О: Добре дошли. Моля, не се колебайте да ни изпратите запитване тук. Ще ви отговорим в рамките на 24 часа.


В: Мога ли да получа проба преди обемната поръчка?

О: Да, приветстваме поръчка за проба за тестване и проверка на качеството. Миксираните проби са приемливи.


Въпрос: Можем ли да отпечатаме нашето лого/ името на компанията на продуктите?

О: Да, разбира се, ние приемаме OEM, тогава трябва да ни предоставите разрешение за марката


В: Приемате ли персонализиране на продукта?

О: Да, разбира се, моля, предоставете конкретни рисунки или параметри, ще ви цитираме след оценка


В: Какво е времето за водеща?

О: Времето за изпълнение зависи от поръчаните количества, обикновено в рамките на 7-20 дни след получаване на плащането.


В: Какви са вашите търговски условия?

О: Приемаме EXW, FOB, CIF, FCA и т.н.


В: Какъв е вашият начин на плащане?  

О: Приемаме T/T, Western Union, Paypal, неотменим L/C при гледка и т.н.


Въпрос: Инспектирате ли готовите продукти?

О: Да, всяка стъпка на производство и готови продукти ще бъдат излезли от отдел QC преди изпращане. И ние ще предоставим отчети за проверка на стоки за справка преди изпращане


Въпрос: Как да решите проблемите с качеството след продажбите?

О: Правете снимки на проблемите с качеството и ни изпратете за нашата проверка и потвърждаване, ние ще направим доволно решение за вас в рамките на 3 дни.




Фабрика


Сертификат




Горещи маркери: VBI-24 Фиксиран тип изолационен цилиндър MV вакуумна верига, Китай, производител, доставчик, фабрика, ниска цена, качество, най-новите продажби, напреднали
Изпратете запитване
Информация за контакт
  • Адрес

    No.1083 Zhongshan East Road, област Yinzhou, град Нингбо, провинция Жеджианг, Китай, Китай

  • Електронна поща

    sales@switchgearcn.net

За запитвания относно разпределителни уреди за ниско напрежение, изолатори за високо напрежение, заземителен превключвател за високо напрежение или ценова листа, моля, оставете своя имейл до нас и ние ще се свържем в рамките на 24 часа.
X
Ние използваме бисквитки, за да ви предложим по-добро сърфиране, да анализираме трафика на сайта и да персонализираме съдържанието. Използвайки този сайт, вие се съгласявате с използването на бисквитки от наша страна. Политика за поверителност
Отхвърляне Приеми